羅茨鼓風機拆卸
發布:AKing 瀏覽:3305次
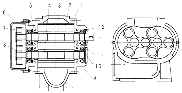
羅茨風機設備解體
①拆下羅茨風機皮帶防護罩梅花扳,解下三角皮帶,用拉馬拉下皮帶輪,取下消聲器,梅花扳,吊羅茨風機到工作場所,放盡前后油箱內的潤滑油,用梅花扳取下油箱,甩油盤,用螺絲頂出軸座和軸承取下調整片,取出軸座。
②拆羅茨風機的安全罩螺栓,拆聯軸器螺栓和拆電動機底腳螺栓,吊出電動機,用拉馬拉出聯軸器取下鍵。拆羅茨風機底腳螺栓和出口法蘭螺栓,吊下羅茨風機。
③先將羅茨風機油箱內的潤滑油放在油桶內,放盡后,用拉馬拉出聯軸器。
④拆羅茨風機前軸承蓋螺母,取下軸承壓蓋,拆軸承調節螺栓,取下調節片,用螺栓頂出軸承座和軸承,然后卸出軸承和挖出骨架封圈。
⑤拆羅茨風機后油箱螺栓。取下油箱,拆同步齒輪螺母,取下墊圈和同步齒輪,注意要做好標記之后方能取下同步齒輪。
⑥拆羅茨風機軸承螺母,取下止動墊圈,拆軸承座螺栓,取下調整片,用二支稍長的螺栓,對稱頂出軸承座和軸承(注意在頂前后軸承座時二支頂螺栓用力要一致,以防軸承座受力不均后頂碎軸承座。
⑦將前后拆出的零件放在二只油盤內,不要將前后零件混淆。
⑧拆羅茨風機前、后墻板時要注意安全,不要將主軸和從軸上的密封碰壞。然后將主動轉子和從動轉子從機殼取下,拆下來的零件要做好標記。
⑨將拆下來的零部件用柴油一一清洗干凈,軸承要用汽油清洗干凈,清理齒輪箱、機殼、葉輪時不準用回絲,要用刀口布揩干凈,不符合要求的零部件要更換。

- 上一篇:延長羅茨風機使用時間的訣竅
- 下一篇:羅茨鼓風機溫度過高產生的原因及處理措施
返回列表
當前位置: